1.產品簡介
CBB61電容器也可稱為CBB61型交流電機運行&啟動電容器,其外形一般是長方形,特點是容量大、損耗小、抗濕性強、可靠性好、電性能優良。適合使用的環境溫度-40℃~+85℃。我司可按照客戶不同需求來研發、設計、生產出滿足各種特殊需求的產品。
2.技術參數
產品型號:CBB61
容量范圍:0.47μF~50μF
允許偏差:±5%(J)、±10%(k)
額定電壓:250V、300V、350V、400V、450V、500V、630V
耐壓值:2.0UnAC(2S)
損耗角正切值:tgδ≤10×10 -4(23℃,f=100Hz 1v)
絕緣電阻:Cn×Rs≥3000S(23℃,100VDC,1min)
溫度范圍:-40℃~+85℃
應用范圍:交流馬達的啟動、運行
外形:長方形
引出方式:軟線、插針、插片
品牌:世格·SHIGE
介質材料:金屬化有機薄膜
3.規格尺寸
CBB61型啟動運行電容器規格尺寸表 | ||||||||||
450VAC系列 | 250VAC系列 | |||||||||
序號 | 額定容量 | 外形尺寸(mm) | 序號 | 額定容量 | 外形尺寸(mm) | |||||
Cn(μF) | W(mm) | T(mm) | H(mm) | Cn(μF) | W(mm) | T(mm) | H(mm) | |||
1 | 0.47μF | 31 | 10 | 20 | 1 | 1.0uF | 31 | 10 | 20 | |
2 | 0.50μF | 31 | 10 | 20 | 2 | 1.2uF | 31 | 10 | 20 | |
3 | 0.68μF | 32 | 11 | 20 | 3 | 1.5uF | 31 | 10 | 20 | |
4 | 0.80μF | 32 | 11 | 20 | 4 | 1.8uF | 31 | 10 | 20 | |
5 | 1.0μF | 36 | 11 | 20 | 5 | 2.0uF | 31 | 10 | 20 | |
6 | 1.2μF | 36 | 11 | 22 | 6 | 2.2uF | 31 | 10 | 20 | |
7 | 1.5μF | 37 | 13 | 22 | 7 | 2.5uF | 31 | 10 | 20 | |
8 | 1.8μF | 37 | 14 | 24 | 8 | 3.0uF | 36 | 13 | 23 | |
9 | 2.0μF | 37 | 15 | 27 | 9 | 3.5uF | 36 | 13 | 23 | |
10 | 2.2μF | 38 | 16 | 28 | 10 | 4.0uF | 36 | 13 | 23 | |
11 | 2.5μF | 38 | 17 | 28 | 11 | 5.0uF | 37 | 14 | 24 | |
12 | 2.7μF | 38 | 17 | 28 | 12 | 6.0uF | 38 | 15 | 25 | |
13 | 3.0μF | 38 | 19 | 29 | 13 | 7.0uF | 38 | 15 | 25 | |
14 | 3.5μF | 38 | 19 | 29 | 14 | 8.0uF | 38 | 17 | 28 | |
15 | 4.0μF | 47 | 17 | 31 | 15 | 9.0uF | 38 | 17 | 28 | |
16 | 4.5μF | 47 | 20 | 31 | 16 | 10uF | 38 | 20 | 31 | |
17 | 4.75μF | 47 | 20 | 31 | 17 | 12uF | 47 | 17 | 28 | |
18 | 5.0μF | 47 | 20 | 31 | 18 | 15uF | 47 | 20 | 31 | |
19 | 6.0μF | 47 | 21 | 35 | 19 | 16uF | 47 | 21 | 35 | |
20 | 6.5μF | 47 | 21 | 35 | 20 | 18uF | 47 | 23 | 35 | |
21 | 7.0μF | 47 | 23 | 35 | 21 | 20uF | 47 | 25 | 35 | |
22 | 7.5μF | 47 | 23 | 35 | 22 | 35uF | 47 | 32 | 38 | |
23 | 8.0μF | 47 | 24 | 37 | 23 | |||||
24 | 9.0μF | 48 | 26 | 39 | 24 | |||||
25 | 10μF | 58 | 24 | 33 | 25 | |||||
26 | 12μF | 58 | 26 | 38 | 26 | |||||
27 | 14μF | 58 | 26 | 38 | 27 | |||||
28 | 15μF | 58 | 26 | 38 | 28 | |||||
29 | 16μF | 60 | 31 | 38 | 29 | |||||
30 | 17μF | 58 | 28 | 40 | 30 | |||||
31 | 18μF | 58 | 32 | 43 | 31 | |||||
32 | 20μF | 58 | 32 | 43 | 32 | |||||
備注 | 以上規格為常用容量,常規狀態為軟線外露100mm | |||||||||
引出也可為插片或插針 | ||||||||||
如需了解更多信息,旺旺、QQ、微信或來電咨詢:13486638973/0574-88763578 | ||||||||||
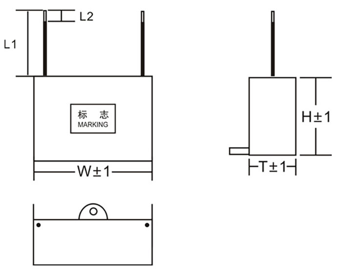
4.外形尺寸

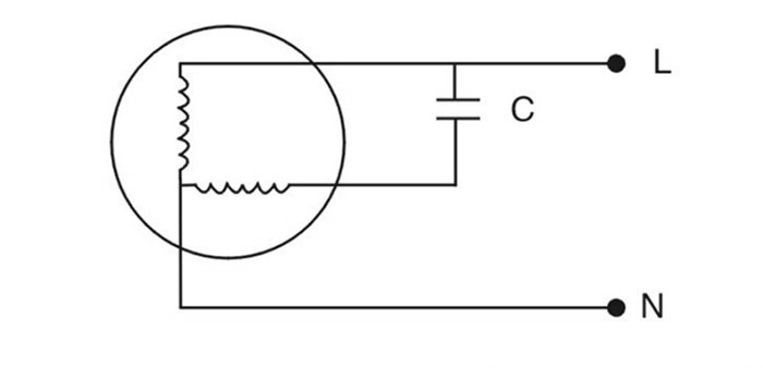
5.典型應用電路

6.產品用途
CBB61型電容器主要用于電風扇、麻將機、面包機、碎紙機、油煙機等產品內交流電動機的啟動和運轉。
7.生產設備

8.生產流程

9.廠家優勢
①提供CBB61電容器的研發、設計、生產、銷售一條龍服務;
②擁有完善的售前、售后服務體系,讓客戶享受上帝的感覺;
③工藝成熟完善,技術力量雄厚;
④產品關鍵材料均采用進口或國內上市公司生產,生產設備先進,并實現了90%以上自動化;
⑤為了更好的服務客戶,及時完成訂單,公司上下一心,積極向上,努力拼搏,客戶急單可以在3天完成并發貨。
10.質量管理
①我司擁有一支實力強大的品質保障團隊;
②所有關鍵原材料入廠都要經過嚴格檢驗;
③每規格產品均要經過首檢、巡檢、入庫檢驗三道質保關卡;
④每個CBB61電容器都要進行成品測試合格后方可入庫。
浙公網安備33028302000762號